全国修车大队信息论坛,2025长沙qm论坛,广州蒲典体验报告论坛,广州蒲友论坛2025

鹏通

400-1598-021
热门关键词: 进口报关代理 进口清关 木材进口报关 二手机械进口清关 临时进出口代理

润滑系统进口清关手续跟操作步骤有哪些?

作者:编辑:来源:www.pantomsc.com发布日期:2023-04-17
信息摘要:

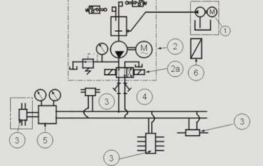
润滑系统的功用是向作相对运动的零件表面输送定量的清洁润滑油,以实现液体摩擦,减小摩擦阻力,减轻机件的磨损。并对零件表面进行清洗和冷却。润滑系通常由润滑油道、机油泵、机油滤清器和一些阀门等组成。

润滑系统.png

一、润滑系统进口报关手续资料

1、进出口权;

3、产品信息:品名、数量、包装、重量及体积等;

3、装箱单、发票及合同等;

4、提供使用说明书、照片等信息等等。如果是木箱包装要提前做好熏蒸消毒。

二、润滑系统进口报关流程:

1、准备进口资料

2、安排进口口岸商检查货

3、出通关单

4、报关/审价

5、出税单/缴税

6、海关现场查验核对

7、提货

8、配送至厂家。

本文标签:

Copyright @ 版权所有:鹏通供应链-进口报关代理 粤ICP备19098061号-1